图知网
搜索
首页
热门推荐
图片分类
成都老酸奶,好吃~!
下载原图
相关图片
菊乐老成都酸奶160g
成都老酸奶!
成都老酸奶,没有巷子酸奶好喝. 春熙路
去附近吃晚餐顺便带回一杯酸奶,好像很多城市都有当地的老酸奶 成都
新希望(华西)成都老酸奶180克*4杯
【冷链运输】新希望华西成都老酸奶180g*12碗益生菌发酵乳酸牛奶
为你推荐
《风云天地》全集-电视剧-在线观看
70,80,90,00年代南昌人过年的区别,只准看不准哭!
蜡笔小新第十季 台配 123 梦伢的报恩哦1
养了3年的蜡牡丹在2021年冬季逆袭了颜值非常出众
篆书「朋」篆刻字典
手掌撑地,腕关节过度背伸,前臂旋前等扭转挤压的暴力致伤
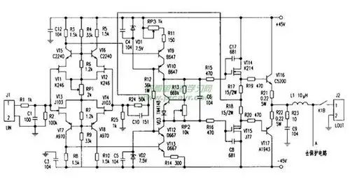
c5198和a1941怎么能做一个简单的功放呢 都用什么
五年级总复习常用歇后语