图知网
搜索
首页
热门推荐
图片分类
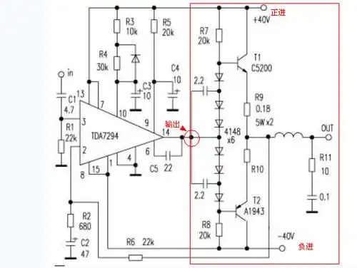
c5198和a1941怎么能做一个简单的功放呢 都用什么
下载原图
相关图片
接线图5,搭建中如果有任何问题,可以通过邮件沟通:推荐音响师小刘
求助有没有a1941c5198功放图纸
用两只d718代换功率对管a1941c5198
日本东芝管a1941c5198发烧功放机 5声道功放5声道功放hifi 功放
30 看到了一个合并是功放把一片100w的7294就简单弄了对a1941c5198就
用两只d718代换功率对管a1941c5198
为你推荐
寒露露气寒冷秋意渐浓棉花简笔画
93 小资女人 高端旗袍#旗袍 #改良旗袍 #少女旗袍 #真丝旗袍
奥特曼q版头像
旅游旅行宣传封面
妈妈的吻简谱视唱 原调eb 移 3-苍强曲谱
无惧膨胀点开来看不就是辆法拉利488pistaspider而已嘛
大叶相思 acacia auriculiformis
辽宁舰舰长刘喆今晚开讲:如果我们有了航母,我一定要去当舰长!