图知网
搜索
首页
热门推荐
图片分类
自耦变压器降压启动原理.jpg
下载原图
相关图片
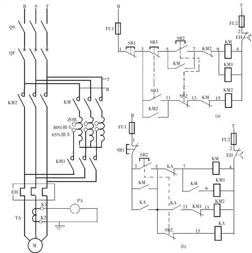
手动操作的自耦降压启动控制电路
自耦变压器降压启动
三相电动机自耦降压启动自动控制电路图及常见故障_手机搜狐网
自耦减压启动控制电路,通常用于75kw以下的电动机,降压启动箱一般安装
自耦变压器降压启动控制电路原理
具有手自动切换,电流,信号指示的自耦降压启动柜的原理图
为你推荐
夸张搞笑漫画-简笔肖像漫画-速写速绘 大叔漫画
我在等你 商标公告
经典牵手情侣qq空间素材图片
清代青花大鸡大海碗,少见!
佛耶戈游戏头像 - 抖音
【灭霸布偶猫】布洛伊:白月光的光彩,红玫瑰的风华,似白雪胜繁花_哔哩
万里长城头像中国万里最美长城美景图片
2018夏季跑步半袖休闲运动服套装女花裤大码宽松短袖短裤两件套潮 002