图知网
搜索
首页
热门推荐
图片分类
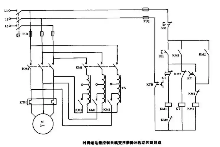
具有手自动切换,电流,信号指示的自耦降压启动柜的原理图
下载原图
相关图片
按钮控制的自耦降压启动电路
三相笼型异步电动机自耦变压器降压启动控制电路
自耦减压启动控制电路,通常用于75kw以下的电动机,降压启动箱一般安装
三款自耦变压器减压起动控制电路图
请问自耦降压器启动的原理图是这样的吗
求自耦降压启动电路图
为你推荐
雪橇三傻是哪三种狗
贾玲大波浪发型现眼球穿裙装大秀美背和美腿简直美艳动人
入园以后,我们会进行晨间锻炼让身体变得更强壮
三福网红爆品美顿闪耀琥珀香水 清新淡雅水感花香香氛
第五人格:艾玛大摇大摆出大门,红蝶关键是时刻却bug了?
刘备简笔画刘备简笔画简单又帅
虽然有被击落,但依然好卖,中国两种无人机的出口情况和战场表现_彩虹
中国34个省的轮廓图地图