图知网
搜索
首页
热门推荐
图片分类
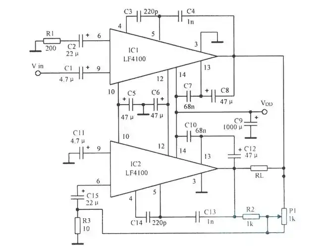
tda2030btl功放电路图
下载原图
相关图片
btl功率放大电路
汽车音响ta8272h型四声道btl音频功率放大集成电路典型应用电路图
tda2030a桥接btl功放电路图
适用于任何功放ic的btl桥接放大电路
btl功放电路图|电路图
关键词: 功放电路
为你推荐
超可爱小孩子头像图片
路字行书写法_路行书怎么写好看_路书法图片_词典网
儿童舞狮简笔画
山卫矛盆景主要是赏果,其果皮一般为淡红色,也有呈白色和深红色的.
尽管短小!但是感动满满】-橙光游戏exo《十次的初吻》-伯贤番外!
沐浴之王首映致敬匠人精神乔杉爆笑诠释小人物反映大生活
电视机受潮怎么办电视受潮了会自己好吗
在藏传佛教的世界里,班禅活佛无疑是最具权威的存在之一.