图知网
搜索
首页
热门推荐
图片分类
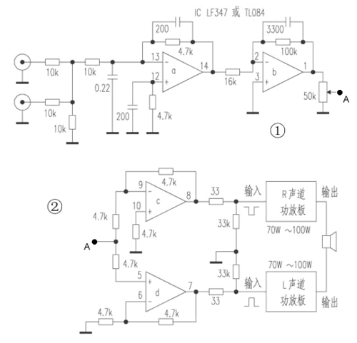
btl功率放大电路
下载原图
相关图片
适用于任何功放ic的btl桥接放大电路
btl功放电路图
可平衡btl桥接合并功放的制作
由lm1875组成的80wbtl功放-电流环放大电路图-电子产品世界
d类功放 无需散热片 宽电压 yx3915功放】价格,厂家,图片,集成电路/ic
这个功放电路 怎么改成btl形式的
为你推荐
嫩模小热巴写真,蝴蝶结衬衫搭鱼尾包臀裙,甜美性感
壁纸 鸳鸯,孤独,水 3840x2160 uhd 4k 高清壁纸, 图片, 照片
朝露昙花.#线描 #工笔画 #抖出我的艺术 #传统文化 #手 - 抖音
后天八卦九宫格五行方位图太极图八卦图周易经知识学习书房装饰画
岁岁濊的甲骨文金文篆文字形演变含义
融合首先是小火猴的正常进化形态,顶级形态叫烈焰猩猩,也是一只很喜欢
酒店招待宴请图片第56张
可爱毛绒绒小黄鸭图片桌面壁纸