图知网
搜索
首页
热门推荐
图片分类
李白×扁鹊
下载原图
相关图片
薄荷君吖~ 的喜欢
李白扁鹊
.
扁鹊李白
白鹊(李白x扁鹊)填词/浮生错念 九张机/王者荣耀
李白×扁鹊
为你推荐
crimaster犯罪大师失踪的探险家答案失踪的探险家答案解析多图
手背纹身##纹身设计##北京纹身
钢琴谱 - a小调圆舞曲(肖邦 )
风速cem华盛昌手持数显风速表风量风温测量检测仪风速仪
高山我梦
手工| 卷纸这样做,孩子玩三年都兴致勃勃
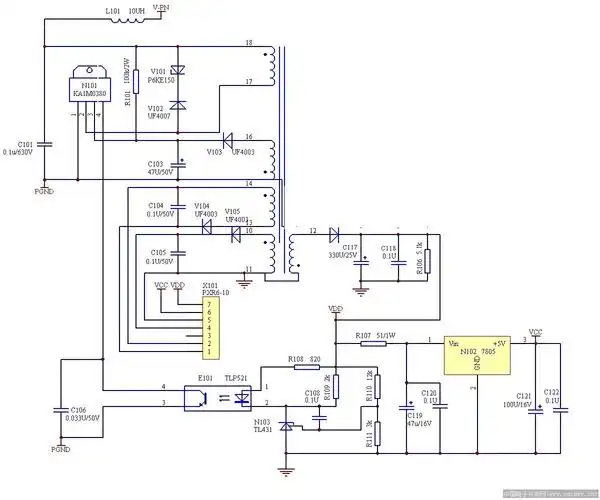
求助5l0380r开关电源电路奇怪故障接上后续电路就没有310v电压输入
苹果第二代 iphone se 3299元