图知网
搜索
首页
热门推荐
图片分类
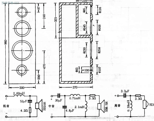
tx8单8寸二分频全频音箱
下载原图
相关图片
谁能帮忙提供一个hifi级书架音箱的完全设计图纸.
高品质的书架音箱diy
公布书架箱设计图,别看外面大,内部净容积才40l多点
想diy个无源书架音箱,请大神给个图纸,推荐个喇叭套装
惠威音箱图纸
求8寸(8欧 250w)超重低音喇叭做低音炮音箱尺寸图纸
为你推荐
绝美手绘地图,带你畅游贵大!
创意中文字体设计作品_字体设计欣赏02 _t2019111 _logo标志/字体设计
不谈理想只谈钱
可爱的电动车简笔画画法步骤
总投资164亿元宜黄县举行重大项目签约仪式
自欺的九种类型别再自欺欺人了
宝马 宝马x5 2021款 xdrive40i m运动套装图片
尺蛾