图知网
搜索
首页
热门推荐
图片分类
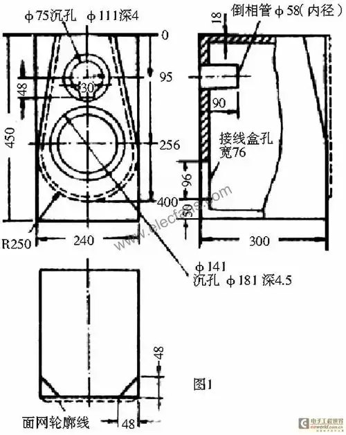
公布书架箱设计图,别看外面大,内部净容积才40l多点
下载原图
相关图片
自己设计的8寸书架箱尺寸?
8寸全频nbm 一听钟情 frs8 书架箱图纸
hivi-swans diy e3.1 hifi书架式音箱 diy 喇叭套件 (不含箱体)
自制书架音箱分享
玩大喇叭,我来对小的diy制作天朗12寸同轴喇叭书架
求8寸(8欧 250w)超重低音喇叭做低音炮音箱尺寸图纸
为你推荐
【李洙赫×金素恩||混剪||love love】#鬼玲夫妇|伪剧情|迷糊妹与傲娇
孔刘李栋旭
极简风格的hylo运动鞋品牌logo与包装设计
危险!独库公路骑行忠告贴!
深圳佳兆业俱乐部门将张鹭的妻子晒出自己近日的照片_高清图集_新浪网
潘玮柏老婆宣云参加友人聚会,身材一流,肤白貌美,嫩到掐出水
广州大学是以国家中心城市"广州"命名的综合性大学,是广东省高水平
tfz是什么牌子的化妆品化妆品品牌怎么选化妆品选购基本步骤