图知网
搜索
首页
热门推荐
图片分类
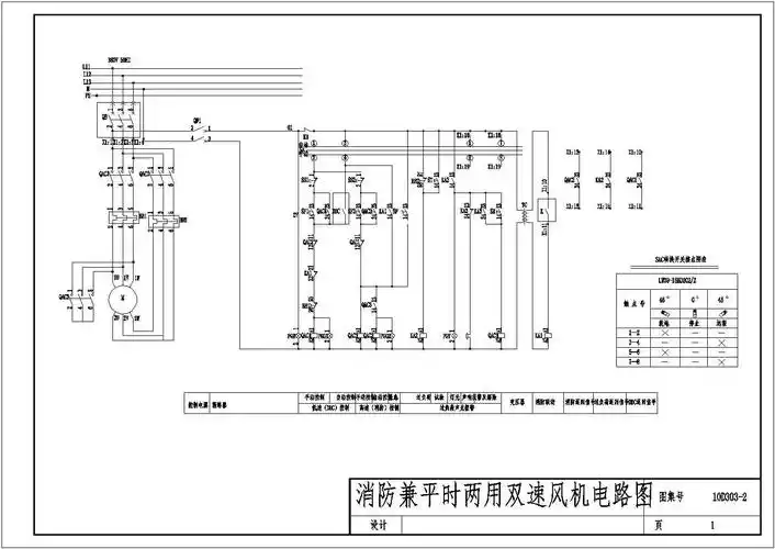
消防兼平时两用双速风机电路图dwg
下载原图
相关图片
双速风机消防控制原理图
sf双控速消防风机电路图
苏州某酒店内部双速消防兼平时两用风机电路设计cad图纸
一种双速消防风机控制柜电路的制作方法
双速消防兼平时两用风机电路图
双速排烟风机控制电路图
为你推荐
梦见与别人分甜瓜_我同时梦见苹果和甜瓜_周公解梦
请各位懂医的帮忙看看验血报告
夏目友人帐台词截图
美孚一号车养护加盟费
终于等来了2021款丰田普拉多柴油版霸气十足途昂靠边站
这五张色盲图,看看你是色盲还是色弱,第四张是一只鹿还是一头牛
流萤飞火,孤影步荷塘. 回首小桥明月夜,情缘菡萏成双.
古东森林瀑布