图知网
搜索
首页
热门推荐
图片分类
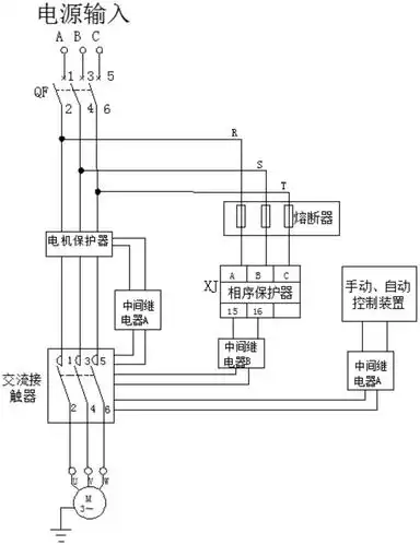
苏州某酒店内部双速消防兼平时两用风机电路设计cad图纸
下载原图
相关图片
cn209483669u_一种双速消防风机控制柜电路有效
双速风机电路
双速风机消防控制原理图
双速消防兼平时两用风机电路图
双速风机
一种消防风机控制柜电路
为你推荐
李湘女儿漂亮2年后复胖14岁王诗龄近况曝光脸型圆润胳膊粗壮
我偏不熊猫头表情包熊猫表情
兄贵人物科普,猎天使魔男-贝奥兰迪
画龙点睛
木头鱼的传说
身份证上97年的,可以可以办理工商银行卡并开通网银?
多位明星因淋巴癌去世压力大易诱发淋巴瘤
华南金牌x99主板cpu套装多开工作室双路2696v3 2666v3 2680v4 x99-8m