图知网
搜索
首页
热门推荐
图片分类
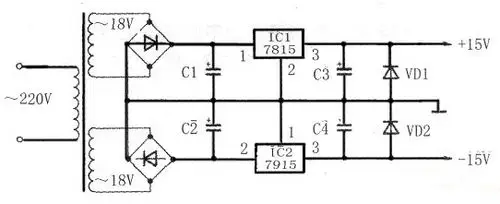
设计一个将220v50hz的交流电转换为可调的5-15v直流稳压输出, 要求
下载原图
相关图片
可调稳压电源电路图
求简单的稳压电路图
次级用倍压整流电路,如果要求电流1a以下,可以用7815稳压
输入是18v50hz为什么, 下面的7815输出这么低啊
稳压电路如图所示w7815的静态电流i
想用7812(或其他稳压管)把双12v的直流电稳压成双9v,请大家给我个电路
为你推荐
湖人又签一人!詹姆斯世界名画诞生了_哈姆_梅斯_球员
三分球12投6中,湖人大胜尼克斯,詹姆斯针对尼克斯?
总是想找人聊天_交流_方式_进行
当前位置:>社区首页>家用电器>厨房小电>电烤箱>changdi/长帝电烤箱>
35岁后的男士穿搭,冬季羽绒服搭配_黑色_毛衣_灰色
廿里镇简介
萌宠 小天鹅癞蛤蟆 癞蛤蟆想吃天鹅肉 穷酸 搞怪 逗