图知网
搜索
首页
热门推荐
图片分类
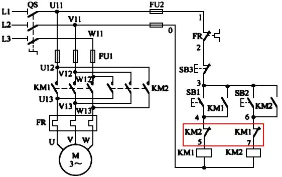
电工新手,请教老师傅,发张控制电动机正反转电路图和实物接线图,发到
下载原图
相关图片
三相电动机按钮,接触器双重互锁的正反转控制线路 如下右图所示为
三相异步电动机正反转图解 控制线路原理如下95 97合上qs,按下正
三相异步电动机的正反转电和及工作原理 电动机正反转电路,是一种很
单相电动机顺正反转控制电路图
电动机正反转控制电路原理
这个电气原理图的名称为电动机正反转控制电路如下图所示
为你推荐
《叶落长安》海报新浪娱乐讯 随着电视剧《叶落长安》在山东卫视(微博
情侣头像配对呆萌卡通动漫情头可爱超甜一对
tg行程
刚刚落幕不久的《你是我的荣耀》里,杨洋饰演的于途也戴起了眼镜
小臂内侧小清新生日星座纹身图片_手臂图腾几何星座天秤座生日纹身
剑传9弹王礼包弹弹堂38三界礼包三界7首富礼包谁是首富6金币礼包传奇
银色苹果iphonex前端与ios11锁屏界面显示和苹果iphone10
诚意推荐----疑犯追踪