图知网
搜索
首页
热门推荐
图片分类
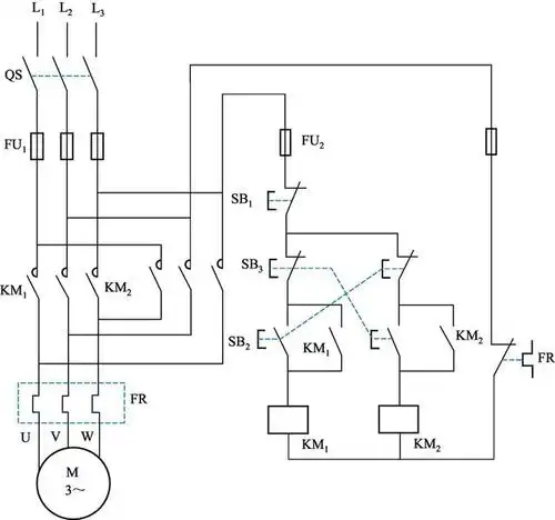
这个电气原理图的名称为电动机正反转控制电路如下图所示
下载原图
相关图片
电工新手,请教老师傅,发张控制电动机正反转电路图和实物接线图,发到
三相异步电动机的正反转电和及工作原理 电动机正反转电路,是一种很
三相异步电动机正反转控制电路(修改)ppt
图8-11 电动机正反转控制电路
三相异步电动机正反转控制线路课件
电动机正反转原理图
为你推荐
tfboys组合背影小集合三只后背越变越有安全感
汤姆猫吸烟壁纸谁有点击鼠标右键下载
2023鹿晗广州演唱会(7月8日/9日)门票价格是多少?在哪买票?
2017年5月9日 9:43 关注 设计 美术作品 素描 封面 评论 收藏
汉服
农村烤火炉家用取暖炉室内回风炉无烟烧柴节能柴火炉柴煤两用炉子 【1
北京地铁模型 全新北京地铁模型,各种型号都有,北京地铁全系 87比例北
jk动漫小姐姐特辑