图知网
搜索
首页
热门推荐
图片分类
孙悟空简笔画
下载原图
相关图片
孙悟空
齐天大圣|纯艺术|绘画|朱宇新星星_原创作品-站酷zcool
孙悟空|插画|创作习作|小宇今天学习了吗 - 原创作品 - 站酷 (zcool)
国画工笔白描人物素材:齐天大圣孙悟空
大全_孙悟空简笔画教程_简笔画孙悟空_孙悟空素描图片简单素描肖像:孙
临摹阿曦老师的悟空|插画|创作习作|天卫五 - 临摹作品 - 站酷 (zcool
为你推荐
【1080p/动态壁纸】蔬菜大棚
游乐设备_海盗船_摩天轮游乐设施厂家- 强力游乐
生僻字简谱
宋代磁州窑白地红绿彩皿
冯薪朵陆婷互相爆料,最后竟要大打出手?
是车养成年上哦具体看图片顶端藕.
移动龙门架立柱为什么是三角形
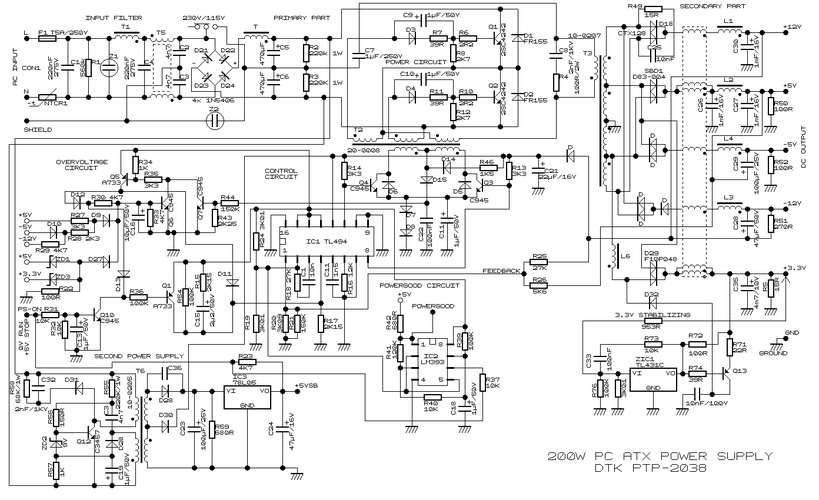
开关电源电路原理(附原理图)