图知网
搜索
首页
热门推荐
图片分类
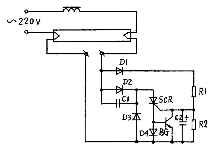
镇流器,启辉器,莹光灯的接法,有线路图最好
下载原图
相关图片
日光灯电子启辉器电路集锦
光控启辉器电路
本实用新型提供一种高性能电子快速启辉器,它由半桥整流电容升压电路
本实用新型是一种日光灯启辉器,属于照明电路设计技术领域.
用日光灯启辉器做家用电器指示灯 - 21ic中国电子网
日光灯电子启辉器制作
为你推荐
卡通商务公司职场女性强人上班办公白领精英开会主管人物矢量素材
个性头像女生气质高冷,个性头像女生背影
【脱唇毛7天】观察过别的女孩子,嘴唇上也有小绒毛,_圈子-新氧美容
冷冻皇冠338猪蹄
耶和华和耶稣是一个吗 耶稣再来是北京时间2011年5月21日20时39分吗?
打扫卫生的小姑娘小学生画五一节图片欣赏
酸辣鸡杂木桶饭图片
来啊一起快活啊(蘑菇头跳舞)_蘑菇头_跳舞_快活表情