Warning: session_start(): open(/tmp/sess_tm8h7dg104nb1cev4g2ljk44rr, O_RDWR) failed: No space left on device (28) in /www/wwwroot/www.tuzhiw.com/config.php on line 13

Warning: session_start(): Failed to read session data: files (path: ) in /www/wwwroot/www.tuzhiw.com/config.php on line 13
电子管805单端电路图 - 图知网

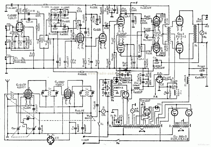
电子管805单端电路图

相关图片

为你推荐

500图片_500动态图_500表情包gif动图下载_soogif

丁程鑫手机壁纸(含自制)

酷虎名猫美短加白冬冬大变化帅哥日光浴

文创插画 东莞地标插画 旅游景点 文旅插画设计

巨齿鲨海洋简笔画步骤

食品安全主题手抄报小报一等奖(含有线稿)

【匠人绘】实体班学员头像作业节选2/kda卡莎/拉克丝|插画|游戏原画

香奈儿陶瓷手表带易碎吗,香奈儿陶瓷手表带平时该怎么保养?手表维修


Warning: file_put_contents(/www/wwwroot/www.tuzhiw.com/cache/image/953106a221c8ff19fb0ab283681b3879.html): Failed to open stream: No space left on device in /www/wwwroot/www.tuzhiw.com/config.php on line 196