图知网
搜索
首页
热门推荐
图片分类
帅气男生头像 #满天星辰只为了你的回眸一笑 #我又来送图啦 - 抖音
下载原图
相关图片
男生头像星空动漫图片 - 搜狗图片搜索
男头,星空,唯美
不用看日月,你就是我的星辰67 76 67#头像# #二次元##文案
男生头像‖狗狗也爱夜晚惬意的凉风和星辰
天空暗到一定程度,星辰就会熠熠生辉 古风男生头像
眼里有星辰大海的动漫男头_动漫头像_头像大全_抖音头像_微信头像
为你推荐
长缨在手
有宝妈跟我体重差不多的吗.
少儿练字田字格及自制描红字帖模板
咒怨的女鬼伽椰子长得好像杨幂
来,把你老二伸过来,我助你练葵花宝典_我助_葵花宝典_伸过来表情
厨房燃气灶有个小部件,用牙签耐心挑一下,火焰烧的旺还省燃气费
还记得前央视主持林海吗?抛弃大7岁原配;二婚娶女主持婚姻幸福
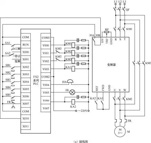
变频器配合plc控制电动机电路的识读方法