图知网
搜索
首页
热门推荐
图片分类
某工程项目电梯门套部分节点构造详图
下载原图
相关图片
某钢爬梯结构节点构造详图
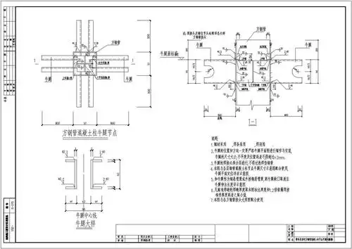
某方钢管混凝土柱钢结构大样(图集)节点构造详图
某钢结构楼梯节点构造详图
[节点详图]某钢结构节点构造详图图集
某明框玻璃幕墙节点构造详图(五)
屋面变形缝节点构造详图
为你推荐
儿童画《小女孩吃西瓜》适合6-7岁小 - 抖音
酷炫抽烟喝酒打麻将 情头
与四年前的《追龙》相比,大家觉得哪部电影更胜一筹呢?
10张世界分洲空白线描地图(可填充打印)
交通标志大全图片及解释-交通标志大全图画
洋河蓝色经典赞助t恤给滨河徒步星之队
海王生物:疯狂炒作后一地鸡毛
田世光 孔雀 tb111038