图知网
搜索
首页
热门推荐
图片分类
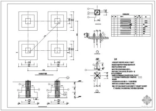
某明框玻璃幕墙节点构造详图(五)
下载原图
相关图片
某钢爬梯结构节点构造详图
[节点详图]某钢结构售楼部明框玻璃幕墙节点构造详图
某线路铁塔基础节点构造详图
常用屋顶墙体建筑节点构造大样详图
建筑物抗震构造详图
[节点详图]某梁柱表通用施工节点构造详图
为你推荐
父亲是贺龙警卫员,外婆是外交官,家世显赫的她55岁却仍不婚不育|许晴
今天教大家画欧布奥特曼奥特曼三重形态
五常米帝王粮一餐五常米让娃爱上吃米饭
大悲咒简谱视唱第1页
一切歌颂赞美
一至七层的楼梯,每层开关都是双控双位开关,请问怎么布线,怎么接线,求
《大树简笔画教程》字母"v"画美丽的大树吧,快来和柚子老师一 - 抖音
原神 神里绫华 二次元等身抱枕 - 抖音