图知网
搜索
首页
热门推荐
图片分类
红灯亮电铃响,乙病人闭合开关,绿灯亮电铃响,说明红绿灯可以独自工作
下载原图
相关图片
开关探秘红绿灯连接方式
两个小电珠同时亮 3,用两个开关控制一个小电珠的亮与灭 4,设计红绿灯
如图所示的电路盒,面板上有红绿灯各一个,三个拨动开关s1,s2,s3
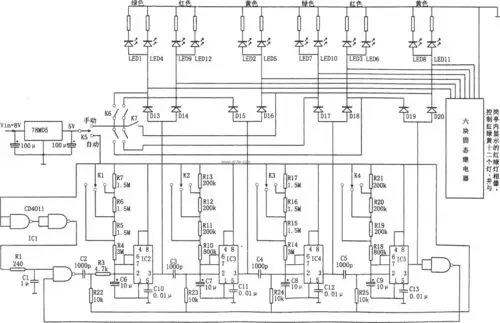
交通信号灯控制电路
简易交通灯控制电路设计
红绿灯_电路
为你推荐
终于理解许鞍华了,如果是这个造型演葛薇龙,马思纯就不会被骂了
高以翔墓园人气超高却纤尘不染,红色花海沁人心脾,金雕遗世独立
一家四口的卡通图片一儿一女头像可爱 温馨幸福的一家人图片大全_卡通
暖色调装修好还是冷色调暖色调装修色彩搭配介绍
2021款大众朗逸到店,锋芒银很大气,1.4t配智慧车联系统
膝关节韧带解剖图
宿州砀山砀山城区星海城星海城有房出租 繁华地段 干净整洁 精装修
啤酒乐堡包邮嘉士伯乐拉罐听装整箱500ml12瓶啤酒