图知网
搜索
首页
热门推荐
图片分类
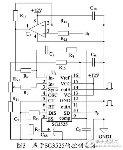
请教老师,由sg3525组成的54v30a开关电源改可调的问题
下载原图
相关图片
非常成熟的sg3525车载功放升压电源板电路原理图
sg3525构成的主要逆变电源电路图
开关电源控制电路.png
求助,sg3525半桥开关电源调试
sg3525a制作的dc12v电源输出只有5v电压,工作一段时间烧sg3525a芯片
为主电路,输出直流电流45~90a可调的大电流低电压直流开关电源的设计
为你推荐
萌娃头像 2023最好看的微信头像08#治愈系 - 抖音
睡觉的松鼠简笔画画法教程
三八妇女节致敬中国近现代史上的20位杰出女性
我愿意吉他谱(图片谱)_王菲(faye wong)
主流媒体纷纷推荐【德氏x沈阳故宫文创冰淇淋】火遍全城_沈阳德氏
败酱草的功效与临床应用 - 好大夫在线
韩语你好的三种说法
铭湖牧场-图片-瓦房店市周边游-大众点评网