图知网
搜索
首页
热门推荐
图片分类
高端棉麻连衣裙女2024新款
下载原图
相关图片
遇见衣姿棉麻连衣裙中长款2020夏天新款韩版修身休闲文艺收腰女装亚麻
小雏菊棉麻连衣裙女夏2020新款洋气时尚气质印花长裙夏天裙子
棉麻连衣裙
素雅定制女王轻奢亚麻棉麻小碎花棉麻连衣裙女中长款修身时尚印花短袖
2017夏季新款文艺宽松大码棉麻连衣裙中长款
中老年棉麻连衣裙无袖天丝女夏天薄款大码宽松贵夫人妈妈 银灰色 m
为你推荐
la型吉他指型图la型音阶小蜜蜂练习曲la型音阶模进练习谱la型音阶图
儿童牙科一,换牙的时间和顺序 人的一生中都要长两次牙齿,即乳牙和
被跑单了心情不好特价接两个马超市标回血
金色麋鹿发财鹿晶瓷画
种子发芽高清图片 - 搜狗图片搜索
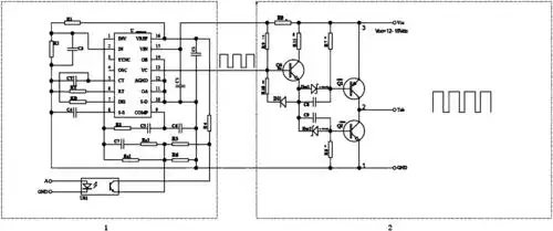
超声波清洗机的驱动加速电路
时崎狂三绅士遇热变色毛巾动漫二次元成人创意恶搞礼物温变水浴巾
远东地区(俄罗斯远东)为什么没能发展起来? - 知乎