图知网
搜索
首页
热门推荐
图片分类
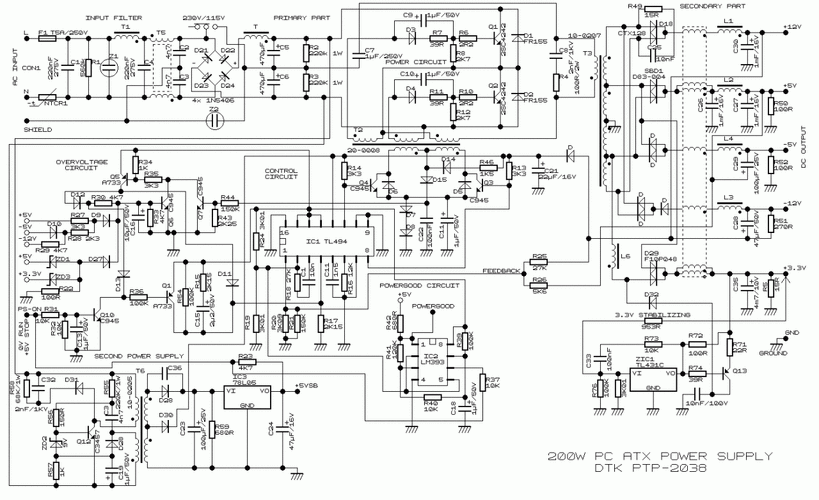
苹果开关电源充电器电路图
下载原图
相关图片
关于ob2273后置中的9014问题
开关电源 我的分析 指正错误?
开关电源电路原理(附原理图)
性能可靠的大功率开关电源制作及电路图
笔记本开关电源电路图
35w双输出开关电源电路
为你推荐
八卦爆料|王一博赵丽颖,张新成李兰迪,宋茜,陈都灵,于正拉踩_电影
超可爱的猫咪情侣头像一左一右不明显情头萌宠男生女生头像
敦煌飞天古风真人壁纸:唯美大气
吞海吴雩q版头像破云2吞海绘画作品
修罗铠甲武器及技能
猫与鱼啊啊啊啊好可爱啊萌化了画师mofusand
好看的漫画恋爱校园里最美好的恋爱
设计受游戏启发 mg品牌全新概念车maze官图发布-新浪汽车