图知网
搜索
首页
热门推荐
图片分类
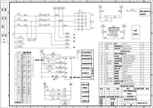
西奥扶梯变频控制柜电器原理图
下载原图
相关图片
配电柜系统图
配电箱电路图
三级配电箱电路图20201028124118docx1页
配电箱电路图副本.docx 4页
配电柜接线图简单明了
某配电工程68台ggd型低压开关柜电气原理图
为你推荐
盛阳设计师#肖战
抽烟伤感男头像
抖音胡钟婷微博钟婷xo生活照图片钟婷近期写真照片合集
抗战枣宜会战,李宗仁如何指挥第五战区反攻日军
最新版早上好阳光暖心的祝福句子,早晨好美的问候语表情图片
给孩子画的飞机#想画就画 #原来画画这么好玩 # - 抖音
冷兵器之四种长刀
2022款本田"奥德赛"正式申报,风格大改,年底前上市_搜狐汽车_搜狐网