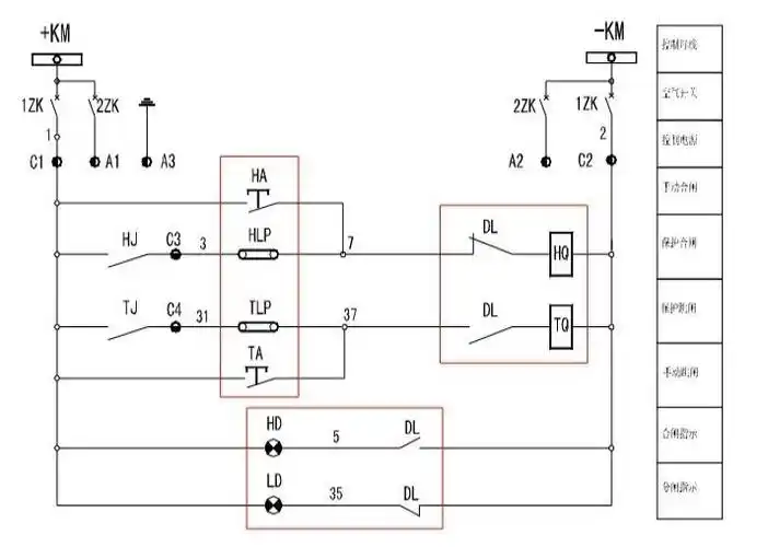
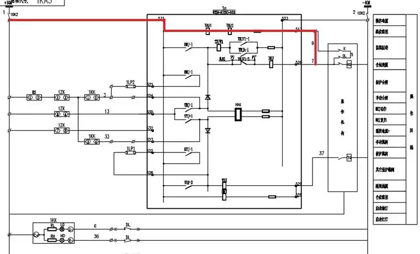
二次回路原理图