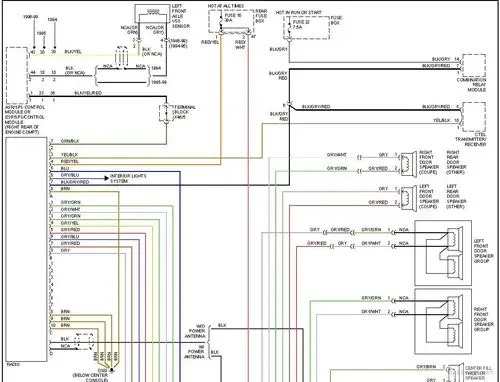
丰田86280功放接线图