图知网
搜索
首页
热门推荐
图片分类
杭州岳庙联合杭州日报向孩子们征集绘画作品《我心中的岳飞》
下载原图
相关图片
岳飞手抄报怎么画
帮我手绘这张q版岳飞
民族英雄岳飞简笔画像图片素材
岳飞卡通画简笔画中间空的怎么画
人物简笔画岳飞传武将简笔画岳飞的简笔画的画法岳飞简笔画画法岳飞
岳飞简笔画 岳飞简笔画儿童画
为你推荐
沿着没有风景的黄泉路,来到忘川河,河的两岸彼岸花烂漫,孟婆说:过桥来
暗黑系科幻动漫美女高清桌面壁纸
伊泽瑞尔同人头像
"交通安全伴我行"~金悦童幼儿园隔离不隔爱让我们相聚在网络两端
1,开合跳在接受任何新的锻炼方案之前,请咨询你的医生,以确保适合你.
许舒婷
超级玛丽
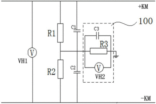
一种接地检测电路的制作方法