图知网
搜索
首页
热门推荐
图片分类
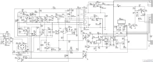
开关电源电路图
下载原图
相关图片
无忧文档 所有分类 工程科技 电子/电路 cr6853控制的反激式开关电源
开关电源原理图-电子电路图,电子技术资料网站
彩电开关电源电路图
开关电源
29种彩电开关电源电路图和原理说明图
性能可靠的大功率开关电源制作及电路图
为你推荐
国务院批复遵义撤县设播州区同时调整红花岗区汇川区行政区划
【肖战】230524欧莱雅pro全球代言人新广
证件照
guinness黑啤的档次地位
白色背景下孤立的黄色玫瑰
欣赏一组废墟系列场景插画作品!体会一下浓浓的末世风情!
高颜值甜品diy |春季甜品picnic野餐系列,一起过个惬意慵懒的午后时光
十宗罪之胶皮人蛹!