图知网
搜索
首页
热门推荐
图片分类
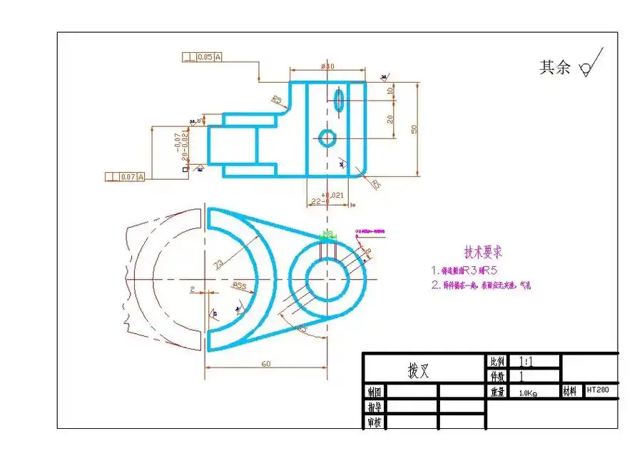
机械设计,从画好一张零件图做起!
下载原图
相关图片
拨叉零件机械加工工艺分析与夹具设计.
求机械产品cad图纸
锥齿轮轴零件图下载(43.07k,dwg格式) 机械cad图纸
机械制图零件图
角形轴承座 角形轴承箱机械加工工艺规程及钻2x25孔夹具设计[含高清
【零件图专题】机械制图教程-零件图的视图选择
为你推荐
年轻时候的黄圣依,很青涩的一个邻家小姑娘
陈伟霆&钟楚曦
窦骁笑起来好迷人
荷兰郁金香大种球5颗-亿品赞
性感汉服美女落英缤纷唯美高清桌面壁纸
要细而又细牢牢守住物资保供和医疗保障的底线,决不能因为疫情防控顾
广州华立科技职业学院电力学子荣获第十一届广东省大学生机械创新设计
进口管道过滤器,不简单的装置!