图知网
搜索
首页
热门推荐
图片分类
关于三相交流电一些问题
下载原图
相关图片
展开全部 由三相交流电源供电的电路,简称三相电路.
各线电流在相位上比各相应的相电流滞后30°. (四)三相电路的功率
三相对称电路
当电动机的三相定子绕组(各相差120度电角度),通入三相对称交流电后
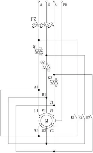
我国三相电标准为380v交流电压,接触器主要用于控制水泵,电动机等负载
建筑内容电气相关 三相交流电路:三种电压初相位各差120°.
为你推荐
amv海贼王波特卡斯d艾斯
解锁和男朋友的牵手姿势97 男朋友是个纯情程序猿,一开始和他交往的
刘亦菲现身迪士尼星愿首映礼活动现场[期待]##刘亦菲紫色花神
你好,步骤如下: 使用识图软件,或者搜狗识图
百舸争流竞西江广西黄金水道建设助力东西部联通
你更喜欢哪一位美人呢?你又了解多少?
简笔画巨齿鲨要怎么画动物简笔画简笔画大全冰冻鲨简笔画卡通柠檬鲨简
可爱小狗简笔画 小狗的简单画法