图知网
搜索
首页
热门推荐
图片分类
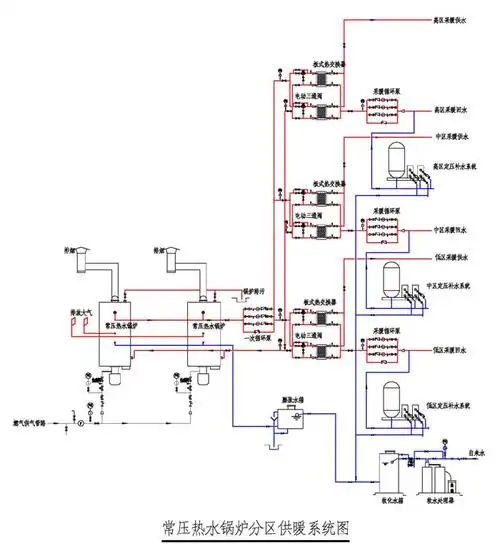
供热采暖水系统流程图_word文档在线阅读与下载_免费文档
下载原图
相关图片
采暖系统流程_word文档在线阅读与下载_免费文档
新疆某热力公司供暖2台10吨燃气热水锅炉-河南远大锅炉有限公司
常压锅炉,承压锅炉,真空锅炉供暖系统流程图
全预混冷凝锅炉
锅炉采暖工艺流程
生活热水系统设计,方案制作,安装施工-东方华辰
为你推荐
梅花欢喜漫天雪.
香槟玫瑰精致小花束
资料图.本文为戏说,献给3月,献给开工的大家.
唱歌的气息系统和咬字系统是怎么协作的
庞统——其貌不扬的军事奇才
《王者荣耀》永恒之月芈月皮肤高清图片桌面壁纸
小羊的画法来了一学就会
足球简笔画怎么画简单漂亮?简单版和进阶版,你更喜欢哪个呢?