图知网
搜索
首页
热门推荐
图片分类
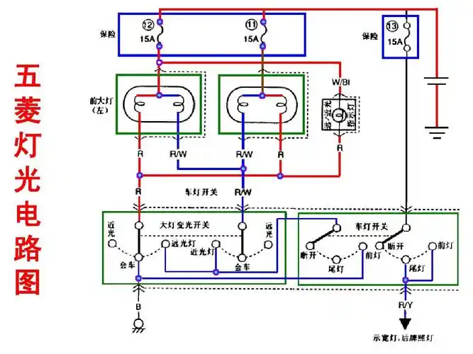
精通维修下载 文档资料 汽车技术 汽车维修 通用雪佛兰维修实例
下载原图
相关图片
汽车大灯电路发来
(1)继电器控制火线式:前照灯控制电路的两种控制方式如下:前照灯控制
汽车前照灯线路图怎么看
汽车照明系统故障的解决办法
你可能喜欢 五菱荣光 五菱之光电路图 汽车电路图 汽车雨刮系统 的
东方汽车
为你推荐
这些素描风景,看了让人特别安心!
唐山金鼎国际广场配套图14- 吉屋网
吴宣仪罕见紧身牛仔裤写真,可爱与时尚于一身,这样的女子把心暖化了
简单的方法教会孩子最有用的知识,用最直观的图片教会孩子认识最常见
玩网电竞男头
岸边露伴表情
blz4-100-90/68油流继电器 沈阳玉国变压器流量指示器
人体的发生系统本质上和音箱,喇叭这些并无太大区别,都是通过发声系统