图知网
搜索
首页
热门推荐
图片分类
12j003 室外工程 建筑专业图集
下载原图
相关图片
12j003室外工程做法图集
匿名用户 2017-03-22 展开全部 12j003室外工程,f4如下,请采纳.
电子版 12j003 室外工程国家建筑标准设计图集pdf
12j003室外工程
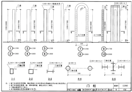
展开全部 12j003室外工程,f26页门柱及27基础.要正本请上邮箱号.
正版国标图集 12j003:室外工程
为你推荐
标书密封条格式word
[原创]三重谋杀时光像素图画好啦!
夜幕中的北京中央商务区.图片来源:人民视觉
可要笑死我了开心soogifsoogif出品gif动图_动态图_表情包下载_soogif
钢笔工具练习-波普艺术
这家店壳牌喜力麻城新概念汽车维修中心,位于麻城市
香港男星满头白发复出拍剧,因烂赌输到破产,转行做殡葬生意_尹扬明
有没有日语五十音图好看的壁纸呢? - 知乎