图知网
搜索
首页
热门推荐
图片分类
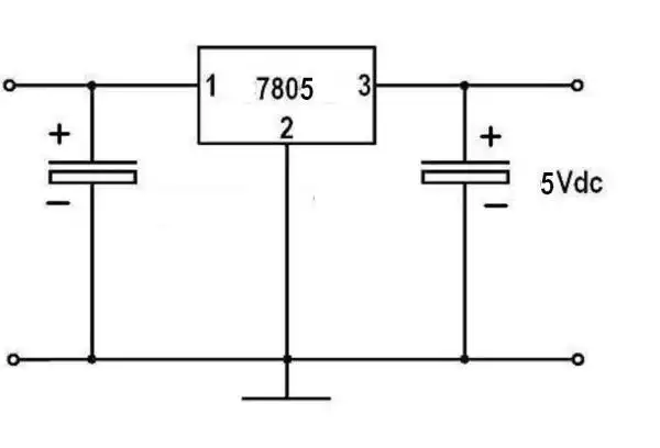
7805稳压电源电路图
下载原图
相关图片
7805稳压电源电路图
电源9伏,怎么用7805把电源弄成5伏? 电路图?
点击查看源网页
利用7805设计一个输出5v,2a(扩大输出电流)的直流稳压电源
d1~d2整流输出dc9v→正极经稳压集成块7805输出 5v,2】电路原理简述
5v稳压电源电路图及四个原理图
为你推荐
晚上加班第一联腹板钢筋制作,4人作业
最终幻想12 黄道纪元
蔚来铝合金车门凹陷,无痕修复,不用喷漆的工艺.
雅马哈mt-07gt旅行版即将开售,中排量街车变身旅行摩托车
崔智云(《反恐精英online》中的人物)_尚可名片
手背红斑瘙痒2个月,用药1周见神效,是什么皮肤病?
这有种植牙时牙槽骨间隙的标准条件哦
花馍的做法花样大全带图解,麻烦列举全1