Warning: session_start(): open(/tmp/sess_hunlhpaavnosnfem451pb1iuh7, O_RDWR) failed: No space left on device (28) in /www/wwwroot/www.tuzhiw.com/config.php on line 13

Warning: session_start(): Failed to read session data: files (path: ) in /www/wwwroot/www.tuzhiw.com/config.php on line 13
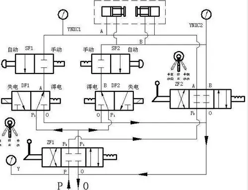
首先我们看一下挂车气路安装简图由下图可以看出,半挂车的气路并不 - 图知网

首先我们看一下挂车气路安装简图由下图可以看出,半挂车的气路并不

相关图片

为你推荐

雨果奖郝景芳王晋康刘慈欣等科幻小说三体全集书籍书排行榜>800_800

迪迦奥特曼

爆笑动物管理局gif_超搞笑的动管局

香炉

60京选好货玻璃门红酒柜靠墙轻奢定制金属酒水柜现代简约客厅带灯

图片搜索

hnxc新品老头帽子中老年人男士春秋老人爸爸爷爷平顶鸭舌帽男夏季薄款

姜丹尼尔 peach - 高清图片,堆糖,美图壁纸兴趣社区


Warning: file_put_contents(/www/wwwroot/www.tuzhiw.com/cache/image/ed71ab0c669cc4bbd67dfc014f336d54.html): Failed to open stream: No space left on device in /www/wwwroot/www.tuzhiw.com/config.php on line 196