图知网
搜索
首页
热门推荐
图片分类
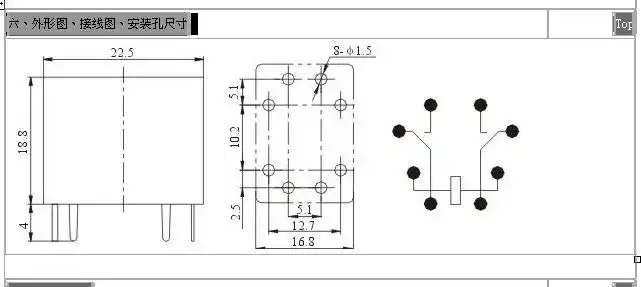
八脚继电器jqx-115f各管脚怎么接啊?
下载原图
相关图片
8脚继电器接线图 220v继电器接线图解
8脚继电器接线图(图文详解) - 电工仪表电路图
使用了两个欧姆龙的my2nj 8脚继电器,如下图接线所示.
八脚继电器当作四脚的来用怎么接线
跪求hhc66c(8脚)继电器接线图
8脚omron继电器ly2nj接线图(最好是接线原理图),控制原理,回答满意
为你推荐
11月11日早上好动态表情图片大全早晨好动图美图大全
fire hydrants is the topic for may 20th, 2010
【包邮包税】gucci/古驰 男士gg图案帆布手拿包 201755 kgdhn 4075
有翡进行时
是你心目中的"男性结扎"吗?_避孕_避孕治疗介绍 - 好大夫在线
醉美三月桃花开#歌曲分享 #听歌看美景 #愿所有美好不期而遇 - 抖音
再加上leona明星产品数字灯,哇!直接营造了
小谢╭(╯钣金ε喷漆╰)╮>>头像