图知网
搜索
首页
热门推荐
图片分类
labview多通道数据传感信号采集系统 答辩讲稿ppt
下载原图
相关图片
labview实现can通讯
哪位大神能给我讲解下这个labview程序框图,谢谢!
基于labview的虚拟电子琴设计
labview编程实例:如何基于tcp协议发送参数命令包
基于labview的发酵过程实时数据采集系统设计
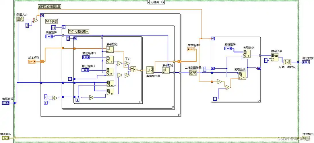
2.5 卷积码labview实现
为你推荐
零基础水彩教程(8)|张大嘴笑的雀斑女孩
3月12日19:30读不懂《诗经》交流会.会议时间:3月12 - 抖音
颜值比肩宋慧乔的实力派韩国女演员-金智媛
菜单边框装饰
徽州木雕简直就是一整套的中华故事会
聊聊何家劲的一部代表作品《中华英雄》
待产中
忆,绿皮火车