图知网
搜索
首页
热门推荐
图片分类
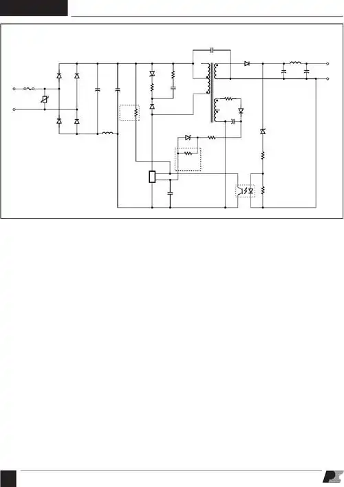
tny276pn failure?
下载原图
相关图片
tny278pn的产品图片
tny278pn 全新原厂ic质量稳定量大价低
tny280pn-tl pdf下载及第8页内容在线浏览
tny278pn dip8/dip7 直插 全新原装正品 进口电源管理ic 专业配单
求tny278pn损坏原因急需解答
使用tny376pn的四路输出平均输出功率75w峰值功率13w的电源电路
为你推荐
时代少年团
我家电热水器常年不断电,被售后工人提醒才知道,自己一直做错了
受宠攻!是甜到炸裂的受.
临洮县投放新型出租车打造城市新名片
五彩丝线绣千年——美了几千年的中国刺绣-搜狐
胰岛素打针部位以及注射效果
我国有许多令人惊叹的旅游景点,而位于湖南省张家界市的玻璃桥无疑是
双联双控开关接线图解,双联双控开关接线图-图片大观-奇异网