图知网
搜索
首页
热门推荐
图片分类
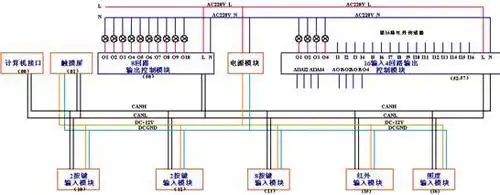
cn204423084u_一种猪场料线控制箱有效
下载原图
相关图片
一个控制线路,但是不知道该如何接线,求一个实物图,越详细越好,本人
新款伴热带温控箱 电伴热带温度控制箱电加热温控器多回路智能全自动
1配m型智能控制器的二次回路接线图(默认配置)_接线图分享
ec20plc设备的i/0接线如图3所示: 根据老化房工艺要求组成如上图控制
四川猪场养殖料线 塞盘料线加药器 育肥猪舍料线厂家批发定制
新风处理机组自控箱接线图
为你推荐
迪丽热巴最新拍摄的这组大片,散发着自信的迷人魅力
古风q版头像|燕临说:宁宁,别去送我01 最近看宁安如梦有点上头,来
嘉羿#
可爱又不失沙雕的头像图片大全 超搞笑快乐又回来了个性头像_个性头像
关键词:卡卡西矢量图 卡卡西 动漫 卡通 卡通人物 卡通矢量图 cdr
锦衣华服,不如国风霓裳;衣带楚腰,风动香尘,笑掩蛾眉,回眸处 - 抖音
三重溢流上下水平衡降噪求答案
参拜等时候到神社哪些侍奉神明的巫女们动漫图片下载