图知网
搜索
首页
热门推荐
图片分类
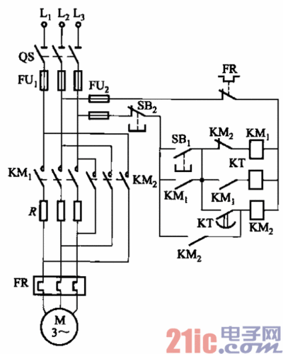
识读串电阻降压启动控制电路原理图
下载原图
相关图片
电动机串电阻降压启动
三相异步电动机定子串电阻降压启动自动控制线路实验说明
定子回路串电阻降压启动自动控制电路
定子串电阻降压启动原理图解
急求:笼型电动机定子串联电阻降压启动的控制线路图!
正反转串电阻降压启动电路图
为你推荐
珉豪喜欢宋茜证据,宋茜珉豪粉红,本文共(2692字)
民族世界华语摇滚遇上民族乐器
教你一招恢复视力!
sm属性自评报告.doc
卡通手绘乡间小路
大二班 勤剪指甲讲卫生
你相信因果报应吗?善良的人是否一定会有福报?
评书大师田连元不知儿子已离世