图知网
搜索
首页
热门推荐
图片分类
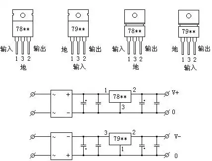
求解金封7815/7915的引脚识别
下载原图
相关图片
热销中njm78l05su33端正向定电压电源jrc授
78l05引脚图怎么判断三端稳压管7879系列工作原理结构分析kiamos管
贴片三极管cj78l05 功率晶体管 稳压ic 封装sot-89-3l 原装长电
78l05中文资料78l05封装尺寸
78l05 datasheet pdf - stmicroelectronics
l78l05abd13tr引脚图
为你推荐
卡鼬(痴迷)
军用直升机的画法战斗直升机简笔画图片战斗直升飞机简笔画直升机的
电影变形金刚4经典高清电脑桌面壁纸第三辑高清大图预览1920x1080
somewhere in time钢琴简谱-数字双手-马克西姆
乌龙派出所电影版:封锁胜哄桥
毛胚房装修流程快来抄作业
《平凡的世界》是中国著名作家路遥创作的一部百万字的长篇小说,以陕
看这个海口夜生活新聚点如何解锁海边喝酒的正确姿势