图知网
搜索
首页
热门推荐
图片分类
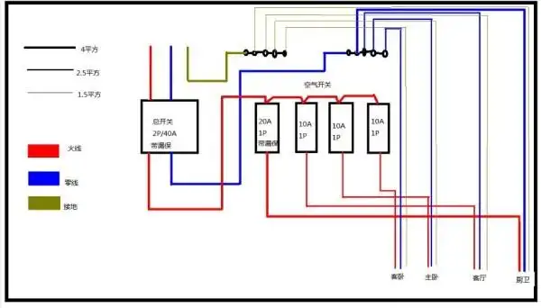
二相电箱七路照明线路怎么接电线图解?
下载原图
相关图片
配电箱接线图配电箱接线图配电箱接线图
问一个配电箱接线问题
配电箱1p和2p开关接线方法
家用配电箱正规接线技巧
软启控制配电柜系统接线图
家用12路配电箱接线图家庭220v灯开关接线图家用配电箱开关名称-家用
为你推荐
剪了短发的马思纯,少年感拉满!_腾讯新闻
古装美人落泪一幕:丽颖唯美,杨幂凄美,热巴好让人心疼!
毛绒玩具兔子大可爱女孩礼物儿童小白兔玩偶公仔抱枕睡觉抱布娃娃绿花
看看这四种最受欢迎的,白发大叔剪完也很帅_发型_男士_头发
猫和老鼠最新表情包 赶快保存起来 保证聊天的时候对方不打你
云飞/云朵演唱经典歌曲《天边》他们的歌声悠扬十分好听.
高清金属质感彩色铝合金箔纹理jpg素材
废旧易拉罐变废为宝!看完的小伙伴们赶紧动手做起来吧!