图知网
搜索
首页
热门推荐
图片分类
馆内掠影
下载原图
相关图片
山东女子学院图书捐赠倡议书
我期待女院的日与夜,更期待努力的你_山东女子学院_零二七艺考
有感星期天的图书馆
而大家最关心的食堂饭菜 夜间查寝 校内图书馆小雅也可以负责任地告诉
图书馆
书香忆百年 阅读启新程
为你推荐
a.i.n.y. (爱你)-邓紫棋
铁皮柜出售!
红旗飘飘-孙楠-钢琴solo钢琴谱-c调-虫虫钢琴
天然和田玉无事牌吊坠
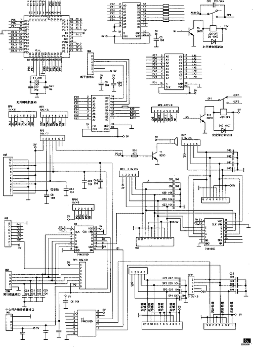
思泰st4100自动麻将机电控板电路原理图
叶罗丽:表面上黎灰是想要阻止世界毁灭,但实际上他可能另有目的
她不仅出身于文艺世家,还是东北二人转的名旦,与魏三的合作可以说是
pt950铂金进口莫桑钻微雪花扭臂六爪钻戒女款手饰