图知网
搜索
首页
热门推荐
图片分类
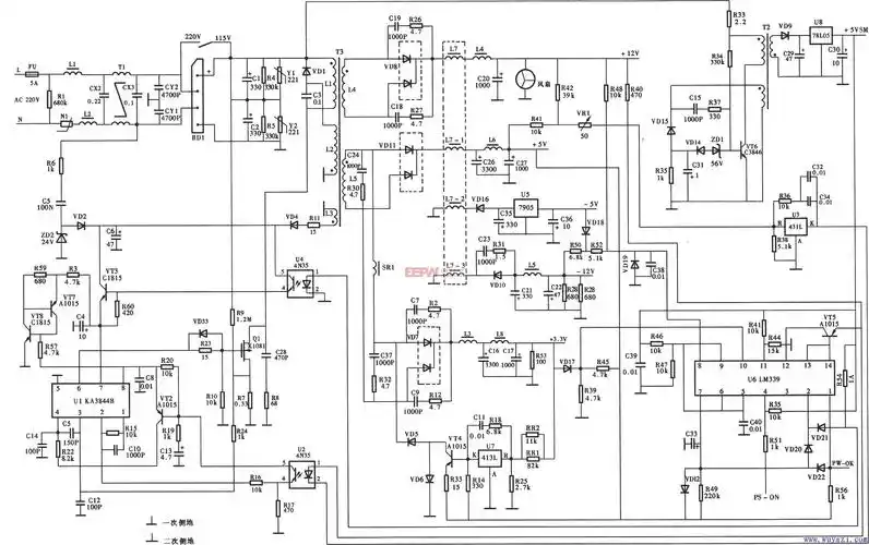
基于uc3844组成的60w开关电源电路图
下载原图
相关图片
nt200atx开关电源ka3844b电路
本文介绍的继电保护用开关电源设计中控制电路采用了uc3844 uc3844是
uc3844中文资料汇总uc3844引脚图及功能工作原理及应用电路
uc3844驱动的24v12a双管正激电源电路图免费下载
一种由uc3844组成的60w开关电源电路图
文档下载 所有分类 工程科技 电子/电路 > 经典大功率开关电源图纸fr
为你推荐
惊艳暹罗斗鱼堪称鱼界的颜值天花板
2020最潮情侣头像一左一右配对
明代老碗全品
vvild小野电子烟官方网售价是多少钱有哪些款式主机杆子
指纹,抽象,背景,蓝色背景,图案
斗牛犬印花加肥加大码卫衣男加绒加厚秋冬季外套春秋款潮牌上衣服
《挪威的森林》简谱
室内设计手绘效果图-卧室 马克笔7315:法卡勒一代 透视:两点透视