图知网
搜索
首页
热门推荐
图片分类
discover the world of chimps, just three hours from houston
下载原图
相关图片
chimps learn to use tools from others; planet of the apes coming
humans ponder the fate of research chimps
chimpanzees plan breakfast the night before: research
【4周达】the animal rescue squad - hand-me-down chimp
chimp
chimp 2012 夏季 "the chimp who would be human" lookbook
为你推荐
行走在呼伦贝尔大草原天空的云如同国画的泼墨效果路旁闪过一望无际的
拜新同说明书)
保罗乔治表达了对老板鲍尔默的赞赏
36v铅酸充电器
黑白雨夜人物背景
红毛草
不动明王菩萨,属鸡人与不动尊菩萨感应力最强,因此鸡年生人必能 - 抖
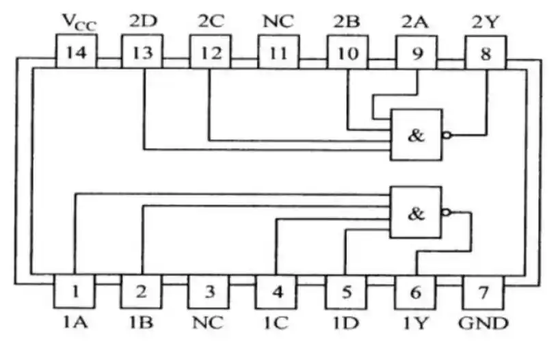
74ls系列芯片简记——20-30_74ls30