图知网
搜索
首页
热门推荐
图片分类
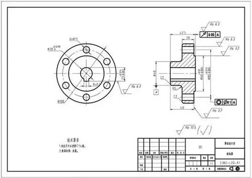
cad机械零件制图练习题_基座
下载原图
相关图片
cad机械零件制图练习题_基座
超详细cad与solidworks互导教程
常用机械零件图基础学习资料,127个cad初学者简单图机械图分享
辅助设计大讲堂06手把手教你用autocad绘制零件图下附带实例素材
常用机械零件图基础学习资料,127个cad初学者简单图机械图分享
【零件图专题】机械制图教程-零件图的视图选择
为你推荐
最近突然有八卦号言之凿凿地称王一博要换回原名王一卜,这种说法流出
不明显的单人情侣头像
锡伯族为什么不吃猪肉?
高级感配色 #设计 #平面设计 #粉色系 #色卡分享 #配色灵感
太阳镜圆脸女式明星款大脸优雅防紫外线眼镜 黑框黑灰片【图片 价格
46岁高龄意外"中奖",23岁儿子劝她生下来,二胎出生后全家傻了眼
猫和老鼠壁纸,猫和老鼠壁纸情侣(一组猫和老鼠情侣主题壁纸图片)
漂亮的迷你笔记本折纸,只要一张纸就能做出来,手工diy视频教程