图知网
搜索
首页
热门推荐
图片分类
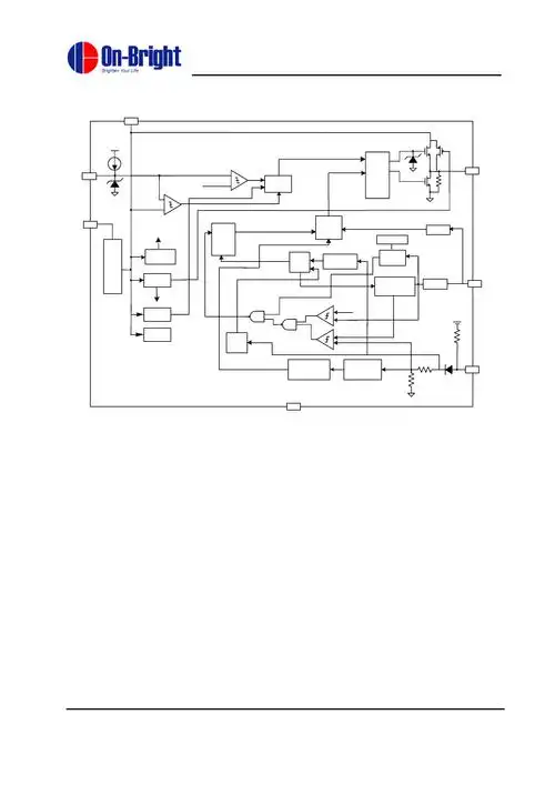
液晶电视电源电路
下载原图
相关图片
ob5269bpwm控制器芯片的数据手册免费下载
电脑开关电源原理图
开关电源 我的分析 指正错误?
ob5269 mp3389 program combo power supply schematic diagram data
ob5269cpa
l6599开关电源图(五种l6599开关电源电路原理图详细)
为你推荐
在光鲜亮丽的娱乐圈,许晴如同一颗璀璨的星辰,以她那不可思议的青春
"玉面书生"郑少秋,曾陪赵雅芝看妇科,两任妻子无缝衔接
白龙- 主题帖_看图_西方巨龙吧_百度贴吧
蜡笔小新:悠闲的亲子时光,小新小葵和妈妈泡澡,就是不带广志
15张甜美温柔的可爱大熊猫宝宝卡通涂色简笔画
桃胶牛奶银耳羹
(2)玉米的花有哪些特点?这样的花依靠 什么外力传粉?
奢侈品品牌常见标识logo集合