图知网
搜索
首页
热门推荐
图片分类
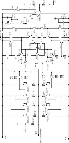
为方便检修,把电源变压器次级引线加长,将功放电路板移到机外.
下载原图
相关图片
52种tda音频功放电路大全!作为功放爱好者,特别是做纯粹 - 抖音
功放主电路原理图
rotelrb1090专业功放电路图
湖山avk200放大器主声道功放电路
无差分的简易全场效应管功放
画了个场效应管功放电路
为你推荐
狼艺术高清桌面壁纸:宽屏:高清晰度:全屏
雷欧亲手赠予的赛罗披风,实体化登陆shf系列!
10款女装风衣外套大衣结构裁剪图
我爱劳动
华南牌诺氟沙星胶囊01g10粒1瓶盒泌尿感染视频
血滴滴落在水槽上.usag的恐怖背景照片
07通用领花(对)
如何正确去黑头?