图知网
搜索
首页
热门推荐
图片分类
【沪c15座精品】07奔驰mb100商务车,注意是15座,车况精品,发变完美
下载原图
相关图片
奔驰mb100 08年车,12座黄牌,汽油2.3排量,前驱, - 抖音
曾经国内高档的面包车之一——奔驰mb100_搜狐汽车_搜狐网
曾经国内高档的面包车之一——奔驰mb100_搜狐汽车_搜狐网
1994梅赛德斯奔驰mb100面包车1:24模型-爱卡汽车网论坛
13年5月奔驰伊思坦纳mb100 难得稀蓝牌 13年5月奔驰伊思坦纳mb100
1994梅赛德斯奔驰mb100面包车1:24模型-爱卡汽车网论坛
为你推荐
《加州旅馆 指弹版》吉他谱
(更名)原来还是公认的帅哥啊~李东海
秋季运动会台湾附中正版校服女高中学院风学生装白衬衫jk制服套装
手机摄影基础知识构图(九) 一框式构图(授课:洪师傅 习作展示:摄影一
合肥100平方办公室设计方案分享
ktv订房朋友圈的说说ktv防疫
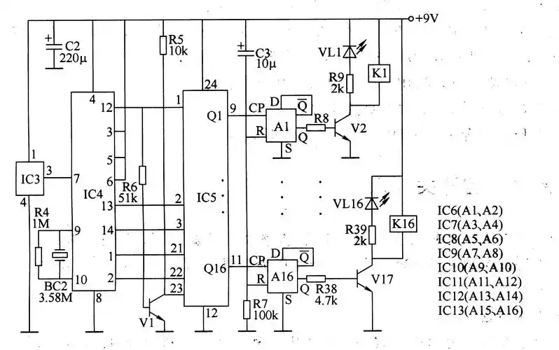
无线遥控接收控制电路由无线遥控接收/译码器电路和触发控制电路组成
打卡2020西安民俗博物馆游记